PIC 12F629 Board v1

Panel of 88 small circuit boards. Includes 22 Microchip PIC 12F629 microcontrollers, and 22 sets of H-bridge boards.

Board
H-Bridge1
First half of the H-Bridge
H-Bridge2
Other half of the H-Bridge
12f629
Microcontroller Board
Connection
Connection board. Part number and function are unknown.

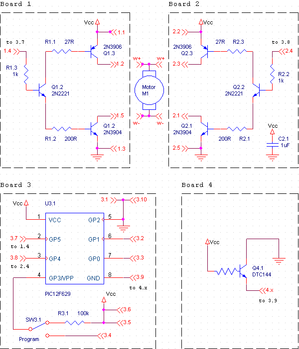
These boards were originally intended as smart motor controllers for robotics projects. A set of boards would wrap around the gearbox of a small camera servo motor, see picture below. Each motor controller consists of 5 boards. Each panel has 22 sets of 4 boards containing all of the circuit elements, but the header boards are not included.


The schematic for the boards is as follows.




Thanks for looking!

price: $15 CAD per panel

Local pickup in downtown Toronto encouraged.

Shipping
to Canada$2.00
to the USA$3.00
to all other destinations$5.00

* I will consider alternate methods of payment and/or shipping on request, please Email me about it.